Floculador Mecânico de Paletas Verticais

Segmentar opções

Floculador Mecânico de Paletas Verticais

Aplicações:

Floculação em ETAs (Estações de Tratamento de Água) e ETEs (Estações de Tratamento de Esgoto / Efluentes)
Descrição:
O floculador mecânico de paletas verticais é utilizado em estações de tratamento para agitar de maneira lenta e uniforme a água a ser tratada, já misturada com coagulantes químicos, de modo a permitir a formação e crescimento de flocos de impurezas e, portanto, aumentar a decantabilidade da água.
Vantagens:
Ciclo de operação: O floculador é instalado normalmente em câmaras de concreto que recebem a água a ser tratada já misturada com produtos químicos coagulantes, e se movimenta com rotação constante e baixa entre 1 a 7 RPM. Deste modo, provoca a agitação lenta da água e inicia a formação de flocos de impurezas que colidem entre si devido ao movimento e se agregam (não se rompem) devido à lentidão deste movimento. A rotação pode ser escolhida dentro de uma faixa, em função da qualidade da água a ser tratada.

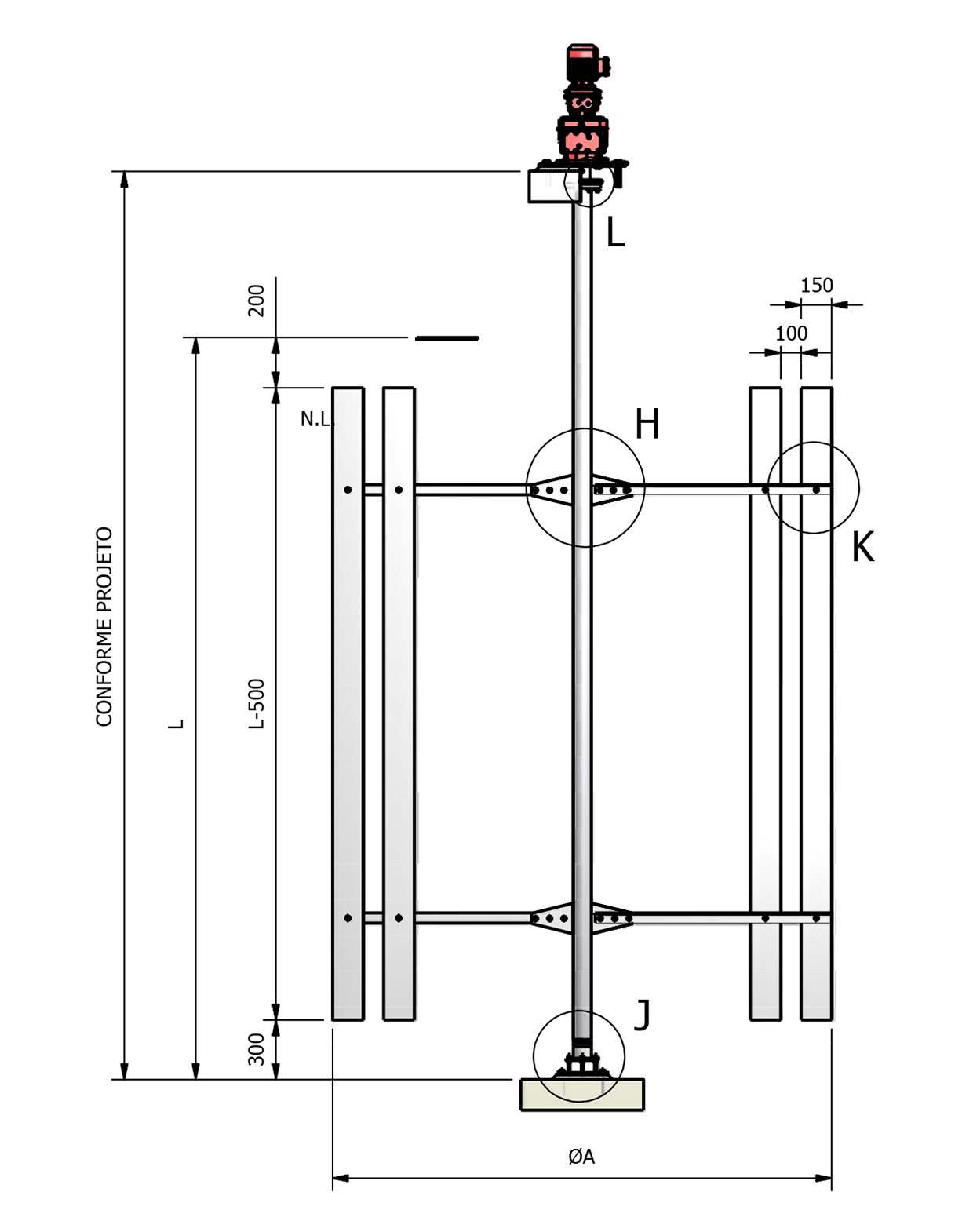
Eixo principal: Eixo principal onde estão fixados dois ou quatro pares de braços (cada par composto por um braço inferior e um superior, paralelos), e um número variável, em função do tamanho, de pás de madeira fixadas verticalmente entre cada par de braços.

Acionamento: O sistema de acionamento do rotor consiste em: motor, redutor, inversor de frequência e base. O acoplamento entre rotor e sistema de acionamento é através de flanges e pinos.

Mancal: Mancal de fundo para apoio e guia do eixo principal.

Galeria:

Solicite um orçamento

WhatsApp

Fale com nosso suporte

Obrigado pelo Interesse!

Preencha o Formulário pra liberar acesso ao conteúdo

Ao informar meus dados, concordo com a Política de Privacidade e com o Código de Conduta.

aQuamec agradece seu interesse!